Турбокомпрессор на двигатель Perkins 1106
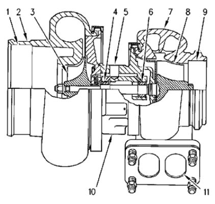
Изображение 1 - Турбокомпрессор
(1) Воздухозаборник; (2) Кожух компрессора; (3) Колесо компрессора; (4) Подшипник (5) Масловпускное отверстие; (6) Подшипник; (7) Корпус турбины; (8) Колесо турбины; (9) Выпускное отверстие выхлопа; (10) Выпускное отверстие для отвода масла; (7) Впускное отверстие для отработавших газов
Турбокомпрессор устанавливают на выходе выпускного коллектора с правой стороны двигателя в одном из двух положений со смещением к верхней или к боковой поверхности двигателя. Отработавшие газы из выпускного коллектора поступают во впускное отверстие для отработавших газов (11) и проходят через корпус турбины (7) турбокомпрессора. За счет энергии отработавших газов турбинное колесо (8) приводится во вращение. Турбинное колесо соединено с компрессорным колесом (3) с помощью вала.
Поскольку турбинное колесо вращается, вращается и компрессорное колесо. Это приводит к сжатию впускного воздуха в кожухе компрессора (2) турбокомпрессора.
Изображение 2 - Турбокомпрессор с перепускным клапаном
(7) Приводный рычаг; (8) Привод перепускного клапана турбокомпрессора; (9) Линия давления наддува
Изображение 3
При повышении нагрузки на двигатель в цилиндры впрыскивается большее количество топлива. Сжигание дополнительного топлива создает больший объем выхлопных газов. Дополнительные выхлопные газы ускоряют вращение колес турбины и компрессора. Так как колесо компрессора вращается быстрее, воздух сжимается до более высокого давления, и больше воздуха подается в цилиндры двигателя.
Увеличение потока воздуха, поступающего в цилиндры, обеспечивает повышенную эффективность сгорания топлива. При этом производится больше мощности.
Перепускной клапан установлен на корпусе турбины турбокомпрессора. Перепускной клапан представляет собой заслонку, позволяющую отработавшим газам обходить турбинное колесо турбокомпрессора. Работа перепускного клапана зависит от сжатого воздуха(давления наддува), обеспечиваемого компрессором турбокомпрессора. Давление наддува воздействует на поджатую пружиной мембрану, имеющуюся в приводе перепускного клапана, регулирующего поток отработавших газов, поступающих в турбину.
Если установлен электромагнит перепускного клапана (15), работой перепускного клапана управляет блок управления двигателем (ЭБУ). Электронный блок управления (ЭБУ) использует входные сигналы, поступающие от датчиков двигателя, для определения оптимального давления наддува. Это позволяет достичь наилучшего состава отработавших газов и минимального расхода топлива в любых условиях работы двигателя. ЭБУ управляет работой электромагнитного клапана, регулирующего давление наддува привода перепускного клапана турбокомпрессора.
Когда для достижения требуемой производительности двигателя необходимо применить повышенное давление наддува, ЭБУ посылает сигнал на электромагнит перепускного клапана турбокомпрессора. В результате низкое давление во впускном воздухопроводе (14) воздействует на диафрагму привода перепускного клапана. Тяга привода воздействует на приводной рычаг и закрывает перепускной клапан в регуляторе давления наддува турбокомпрессора. Когда перепускной клапан регулятора давления наддува закрыт, объем выхлопных газов, проходящих через колесо турбины, может увеличиться. В результате увеличивается частота вращения турбокомпрессора.
Когда для достижения требуемой производительности двигателя необходимо применить пониженное давление наддува, ЭБУ посылает сигнал на электромагнит перепускного клапана турбокомпрессора. Это приводит к увеличению давления во впускном воздушном трубопроводе, которое воздействует на мембрану привода перепускного клапана (13).
Приводной шток (12) воздействует на приводной рычаг для того, чтобы открыть перепускной клапан. Когда перепускной клапан регулятора давления наддува открыт, больший объем выхлопных газов из двигателя может быть направлен в обход колеса турбины. В результате снижается скорость вращения турбокомпрессора.
Вал, соединяющий турбину с колесом компрессора, вращается в подшипниках(4) и (6). Подшипники нуждаются в подаче масла под давлением для их смазки и охлаждения. Масло для смазки, поступающее в отверстие для впуска масла (5), проходит через сердцевину турбокомпрессора, удерживающую подшипники. Масло вытекает из турбокомпрессора через выпускное отверстие (10) и сливается в масляный поддон.















